刀型閘閥是一種直行程的開關切斷閥,其外觀美觀、輕巧、結構緊湊,可以采用手動控制、或者氣動控制。刀型閘閥的刀型閘板具有很強的剪切力,因此非常適用于造紙、污水處理、采礦、制糖、化纖等含顆粒物或纖維的工況。
其主要結構特點有
1、刀型閘閥采用整體式結構,超薄閥體,全通徑流量,避免了介質外漏,流量損失,并且便于安裝使用。
2、閥體流道底部采用固定導向爪來固定閘板,取代了溝槽設計,從而避免了介質積存導致閥門關閉時產生卡渣現象。
3、閘板底部采用刀型圓弧設計,因此閘板活動時對介質具有很強的剪切作用和優異的密封效果。
4、可更換式閥座設計采用閥座蓋對閥座進行固定預緊,當閥座密封面密封不嚴,通過對閥座壓蓋固定螺絲進行調整可以改善密封效果。
5、雙軸承設計大大減小了閥門的扭矩,便于閥門的啟閉。
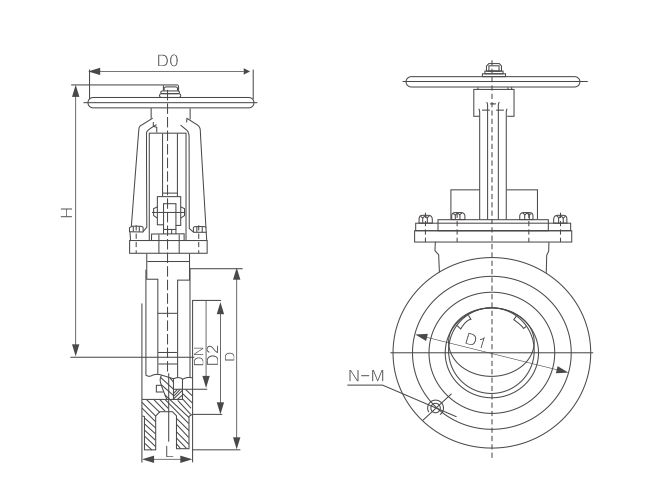
主要外形及連接尺寸(mm)
|
公稱壓力 (MPa) |
DN | L | D | D1 | D2 | H | N-M | D0 | W(Kg) |
| 1.0 | 50 | 43 | 160 | 125 | 100 | 285 | 4-M16 | 180 | 8 |
| 65 | 46 | 180 | 145 | 120 | 298 | 4-M16 | 180 | 10 | |
| 80 | 46 | 195 | 160 | 135 | 315 | 4-M16 | 220 | 12 | |
| 100 | 52 | 215 | 180 | 155 | 365 | 8-M16 | 220 | 14 | |
| 125 | 56 | 245 | 210 | 185 | 400 | 8-M16 | 230 | 22 | |
| 150 | 56 | 280 | 240 | 210 | 475 | 8-M20 | 280 | 29 | |
| 200 | 60 | 335 | 295 | 265 | 540 | 8-M20 | 360 | 38 | |
| 250 | 68 | 390 | 350 | 320 | 630 | 12-M20 | 360 | 66 | |
| 300 | 78 | 440 | 400 | 368 | 780 | 12-M20 | 400 | 100 | |
| 350 | 78 | 500 | 460 | 428 | 885 | 16-M20 | 400 | 119 | |
| 400 | 102 | 565 | 515 | 482 | 990 | 16-M22 | 400 | 195 | |
| 450 | 114 | 615 | 565 | 532 | 1100 | 20-M22 | 530 | 285 | |
| 500 | 127 | 670 | 620 | 585 | 1200 | 20-M22 | 530 | 389 | |
| 600 | 154 | 780 | 725 | 685 | 1450 | 20-M27 | 600 | 529 | |
| 700 | 165 | 895 | 840 | 800 | 1700 | 24-M27 | 600 | 790 | |
| 800 | 190 | 1010 | 950 | 898 | 2000 | 24-M30 | 680 | 850 | |
| 900 | 203 | 1110 | 1050 | 1005 | 2300 | 28-M30 | 680 | 900 | |
| 1000 | 216 | 1220 | 1160 | 1115 | 2500 | 28-M30 | 700 | 1050 | |
| 1200 | 254 | 1450 | 1380 | 1325 | 2800 | 32-M36 | 800 | 1300 | |
| 1.6 | 50 | 43 | 160 | 125 | 99 | 285 | 4-M16 | 180 | 8.5 |
| 65 | 46 | 185 | 145 | 120 | 295 | 4-M16 | 180 | 10.7 | |
| 80 | 46 | 200 | 160 | 135 | 315 | 8-M16 | 220 | 13 | |
| 100 | 52 | 220 | 180 | 155 | 365 | 8-M16 | 220 | 15 | |
| 125 | 56 | 250 | 210 | 185 | 400 | 8-M16 | 230 | 23.5 | |
| 150 | 56 | 285 | 240 | 210 | 475 | 8-M20 | 280 | 31 | |
| 200 | 60 | 340 | 295 | 265 | 540 | 12-M20 | 360 | 40.7 | |
| 250 | 68 | 405 | 355 | 310 | 630 | 12-M22 | 360 | 70 | |
| 300 | 78 | 460 | 410 | 375 | 780 | 12-M22 | 400 | 107 | |
| 350 | 78 | 520 | 470 | 435 | 885 | 16-M22 | 400 | 129 | |
| 400 | 102 | 580 | 525 | 485 | 990 | 16-M27 | 400 | 215 | |
| 450 | 114 | 640 | 585 | 545 | 1100 | 20-M27 | 530 | 305 | |
| 500 | 127 | 715 | 650 | 609 | 1200 | 20-M30 | 530 | 410 | |
| 600 | 154 | 840 | 770 | 720 | 1450 | 20-M36 | 600 | 550 | |
| 700 | 165 | 910 | 840 | 788 | 1700 | 24-M36 | 600 | 820 | |
| 800 | 190 | 1025 | 950 | 898 | 2000 | 24-M36 | 680 | 950 | |
| 900 | 203 | 1125 | 1050 | 998 | 2300 | 28-M36 | 680 | 1020 | |
| 1000 | 216 | 1255 | 1170 | 1110 | 2500 | 28-M42 | 700 | 1120 | |
| 1200 | 254 | 1485 | 1390 | 1325 | 2800 | 32-M48 | 800 | 1480 |