產品概述
氣動薄膜三通調節閥由多彈簧薄膜執行機構和三通調節閥閥體組裝而成。以氣源(壓縮空氣)為動力接受工業信號(4~20mA)來對介質實行控制。采用圓筒型薄壁窗口形閥芯導向,不同于柱塞形閥芯的襯套導向。三通調節閥的性能就是(分流、合流),把流體介質通過三通閥分成二路流出,或者把兩種流體經三通閥合并成一種流體的場合。廣泛應用于精確控制氣體、液體等介質的工藝參數,如壓力、流量、溫度、液位保持在給定值。
| 公稱通徑 DN(mm) | 25 | 32 | 40 | 50 | 65 | 80 | 100 | 125 | 150 | 200 | 250 | 300 | |
| L | PN16/25 | 185 | 200 | 220 | 250 | 275 | 300 | 350 | 410 | 450 | 550 | 670 | 770 |
| PN40 | 190 | 210 | 230 | 255 | 285 | 310 | 355 | 425 | 460 | 560 | 740 | 805 | |
| PN64 | 200 | 210 | 235 | 265 | 295 | 320 | 370 | 440 | 475 | 570 | 750 | 820 | |
| H | PN16/25 | 117 | 120 | 139 | 144 | 188 | 208 | 220 | 268 | 278 | 320 | 441 | 503 |
| PN40 | 124 | 128 | 145 | 150 | 195 | 220 | 230 | 280 | 290 | 335 | 465 | 528 | |
| PN64 | 130 | 135 | 155 | 170 | 205 | 240 | 255 | 295 | 310 | 360 | 480 | 550 | |
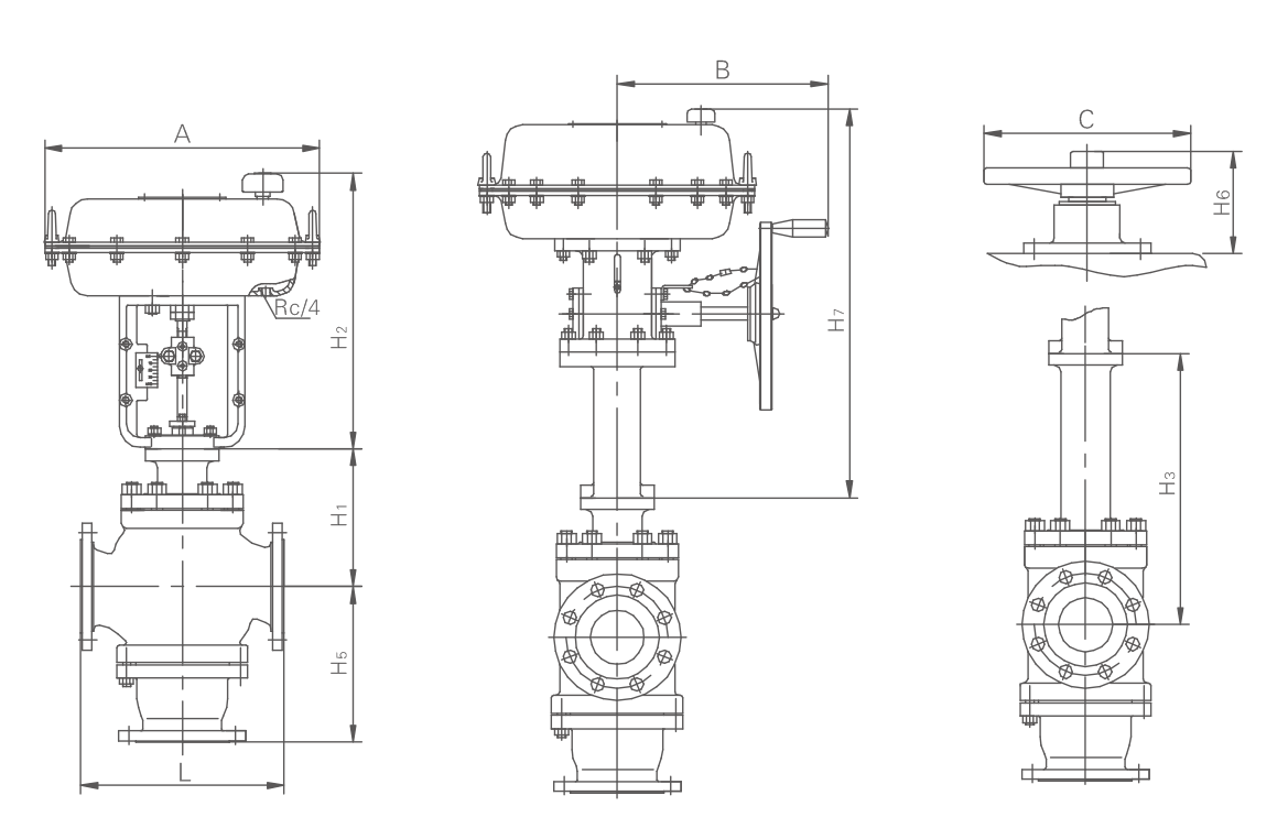
| H1 | 165 | 185 | 185 | 205 | 245 | 255 | 270 | 335 | 365 | 430 | 560 | 680 | |
| H2 | 298 | 298 | 298 | 298 | 380 | 380 | 380 | 510 | 510 | 510 | 650 | 650 | |
| H3 | 177 | 177 | 177 | 177 | 182 | 182 | 182 | 182 | 182 | 218 | 218 | 218 | |
| L1 | 280 | 280 | 280 | 280 | 350 | 350 | 350 | 475 | 475 | 475 | 560 | 560 | |
| A | 282 | 282 | 282 | 282 | 360 | 360 | 360 | 470 | 470 | 470 | 580 | 580 | |
| C | 220 | 220 | 220 | 220 | 270 | 270 | 270 | 320 | 320 | 320 | 400 | 400 | |