JD745X隔膜式多功能水泵控制閥是安裝在高層建筑給水系統以及其他給水系統的水泵出口處、防止介質倒流、水錘及水擊現象的智能型閥門。該閥兼具電動閥、逆止閥和水錘消除器三種功能,可有效地提高供水系統的安全可靠性。并將緩開、速閉、緩閉消除水錘的技術原理一體化,防止開泵水錘和停泵水錘的產生。只需操作水泵電機啟閉按扭,閥門即可按照水泵操作規程自動實現啟閉,流量大、壓力損失小。
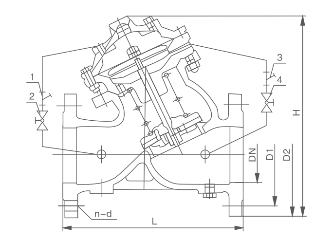
主要外形尺寸
|
DN |
50 |
65 |
80 |
100 |
125 |
150 |
200 |
250 |
300 |
350 |
400 |
450 |
500 |
600 |
|
L |
203 |
216 |
250 |
320 |
365 |
415 |
500 |
605 |
698 |
787 |
914 |
978 |
978 |
1150 |
|
H |
293 |
328 |
364 |
418 |
481 |
543 |
673 |
729 |
927 |
957 |
1188 |
1218 |
1256 |
1600 |